
11034
North East
Tiling & Sanitary works are pending
জরুরী বিক্রয়: খোলামেলা ও আধুনিক লেআউটের চমৎকার ফ্ল্যাট!
আপনি কি নিজের পছন্দমতো ইন্টেরিয়র করে নেওয়ার জন্য একটি প্রশস্ত ফ্ল্যাট খুঁজছেন? পারিবারিক প্রয়োজনে জরুরী টাকার সংকটে থাকায় আমি আমার এই সুন্দর ফ্ল্যাটটি বাজারমূল্যের চেয়ে অনেক বেশি সাশ্রয়ী দামে দ্রুত বিক্রি করতে চাচ্ছি।
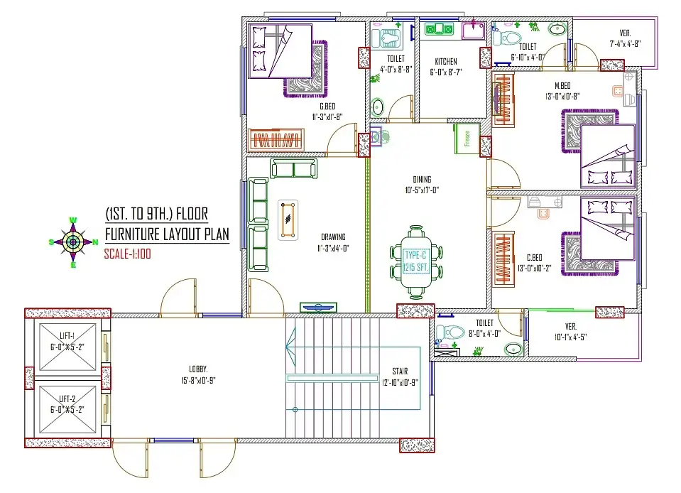
ফ্ল্যাটের বিবরণ:
বিশেষ বৈশিষ্ট্য: দুই ফ্ল্যাটের মাঝে ভেন্টিলেশন গ্যাপ সিস্টেম রয়েছে, ফলে ঘরের ভেতর সবসময় আলো বাতাস প্রবেশ করে তাই সতেজ পরিবেশ বজায় থাকে।
বর্তমান অবস্থা (সুবিধা):
ফ্ল্যাটটিতে বর্তমানে টাইলস, স্যানিটারি এবং রংয়ের কাজ বাকি আছে। এটি আপনার জন্য একটি চমৎকার সুযোগ, কারণ আপনি নিজের রুচি অনুযায়ী সেরা মানের টাইলস, আধুনিক স্যানিটারি ফিটিংস এবং পছন্দের রঙ ব্যবহার করে ফ্ল্যাটটিকে মনের মতো করে সাজিয়ে নিতে পারবেন।
সাশ্রয়ী মূল্য: দ্রুত বিক্রির উদ্দেশ্যে আমি এটি অত্যন্ত আকর্ষণীয় ও অল্প দামে ছেড়ে দিচ্ছি।
পার্কিং ও নিরাপত্তা: অ্যাপার্টমেন্টে সুশৃঙ্খল পার্কিং ব্যবস্থা রয়েছে (দ্রষ্টব্য: আমার এই ফ্ল্যাটের সাথে নির্ধারিত গ্যারেজ নেই, তবে অ্যাপার্টমেন্টের সুবিধাগুলো উপভোগ্য)।
খোলামেলা লেআউট: ড্রয়িং-ডাইনিং থেকে শুরু করে প্রতিটি রুমের মাপ অত্যন্ত পরিকল্পিত, যার বিস্তারিত লেআউট ছবিতে দেওয়া আছে।
বিশেষ দ্রষ্টব্য: সঠিক মাপ ও লেআউট বোঝার জন্য দয়া করে সংযুক্ত ছবিটি দেখুন। সরাসরি ভিজিট করলে ফ্ল্যাটটির বড় আকার এবং ভেন্টিলেশন সুবিধা আরও পরিষ্কারভাবে বুঝতে পারবেন। ধন্যবাদ!

BDT 35,00,000













